一、軸測(ce)圖的概念
管道(dao)(dao)軸(zhou)測圖又稱單(dan)管管段圖或單(dan)線圖,是沿北向方向標(N),按正等軸(zhou)測投影繪(hui)制的(de)(de)形象的(de)(de)管道(dao)(dao)立體視覺(jue)圖形。管道(dao)(dao)軸(zhou)測圖供施工單(dan)位在施工現場預備(bei)管道(dao)(dao)材料并預制、裝配的(de)(de)圖紙。
二(er)、軸測圖的(de)內容
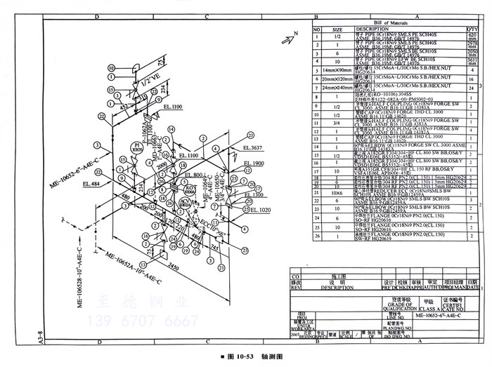
軸(zhou)測圖(tu)主要包括五部分內容(圖(tu)10-53):管道軸(zhou)測圖(tu)形、工程數據、管段材料表、北向標、圖(tu)簽。
1. 管(guan)道軸(zhou)測(ce)圖形
管(guan)(guan)(guan)道(dao)(dao)軸(zhou)測圖(tu)(tu)(tu)形(xing)是按照管(guan)(guan)(guan)道(dao)(dao)布(bu)置平(ping)面(mian)圖(tu)(tu)(tu)的設計,把管(guan)(guan)(guan)線的必要信息以及它們在空間中的相對位(wei)置表(biao)示出來的圖(tu)(tu)(tu)形(xing),包(bao)括管(guan)(guan)(guan)子、管(guan)(guan)(guan)件、閥門、儀表(biao)元件代號、管(guan)(guan)(guan)線標高、管(guan)(guan)(guan)線長(chang)度(du)、介質流向、坡度(du)、管(guan)(guan)(guan)線號、管(guan)(guan)(guan)架、連(lian)接信息等,尤其(qi)是更加詳(xiang)盡(jin)地表(biao)示出了在管(guan)(guan)(guan)道(dao)(dao)布(bu)置平(ping)面(mian)圖(tu)(tu)(tu)形(xing)上很(hen)難表(biao)達清楚的管(guan)(guan)(guan)道(dao)(dao)立管(guan)(guan)(guan)上的具(ju)體(ti)設計。
2. 工程數據
工程數據包括裝置(zhi)及工區代(dai)號(hao)、管線號(hao)、配管圖號(hao)、軸測圖號(hao)、保溫涂漆(qi)代(dai)號(hao)、各種(zhong)尺寸、標(biao)高和管道標(biao)志(zhi)、組(zu)件規格(ge)、編號(hao)、設計條件(溫度、壓力、保溫涂漆(qi)要(yao)求)、制作(zuo)檢驗要(yao)求等標(biao)注說(shuo)明。
3. 管段材料表
管(guan)段材料(liao)表組(zu)成該管(guan)段所有組(zu)件的(de)元件代碼名稱、管(guan)道材料(liao)的(de)描(miao)述和數量。
4. 北向標和圖簽
北向標和圖(tu)簽(qian)則需(xu)要(yao)根(gen)據工程項目的具體情況而定。圖(tu)簽(qian)主要(yao)是項目名稱(cheng)、設(she)計(ji)日期、簽(qian)名(設(she)計(ji)人、校核人、審核人)、設(she)計(ji)單位的名稱(cheng)等一些信息。

三、軸(zhou)測圖(tu)的設計方(fang)式(shi)
1. 從計算機三維模型中(zhong)抽取軸測(ce)圖
項目采用(yong)計(ji)算機(ji)三(san)維模(mo)型(xing)計(ji)算機(ji)軟(ruan)件(jian)(jian)進行壓力管道設計(ji),如(ru)PDS、PDMS、AutoPlant、CADWorx、SP3D等軟(ruan)件(jian)(jian),可以使用(yong)軟(ruan)件(jian)(jian)的功能,自動生(sheng)成(cheng)標準格式的軸測(ce)圖電(dian)子文檔。
2. 使用AutoPlant Isometrics 等(deng)專用軸(zhou)測圖(tu)繪制軟件設計(ji)軸(zhou)測圖(tu)
一(yi)些工程(cheng)項目,使用(yong)(yong)AutoCAD或者 Microstation 進行(xing)管(guan)道(dao)布置平(ping)面圖的設(she)計,使用(yong)(yong)AutoPlant Isometrics等專門用(yong)(yong)于繪(hui)制(zhi)軸(zhou)測(ce)圖的軟(ruan)件(jian)按照(zhao)管(guan)道(dao)布置平(ping)面圖,設(she)計、繪(hui)制(zhi)軸(zhou)測(ce)圖,軟(ruan)件(jian)可以自動生成各種形式(shi)的管(guan)道(dao)材(cai)料匯總報表。
3. 使用(yong) AutoCAD繪(hui)制管道軸測圖
使用AutoCAD的專門用于繪制軸測圖(tu)的模式(執行“ddrmodes”命令(ling),可以轉(zhuan)換到繪制軸測圖(tu)的模式)。
4. 手工繪制(zhi)管道軸測圖
以前計(ji)算(suan)機技(ji)術落后的(de)(de)情況下,人們通常(chang)在(zai)專(zhuan)門用于繪(hui)(hui)制(zhi)(zhi)管道軸(zhou)測圖的(de)(de)圖紙上繪(hui)(hui)制(zhi)(zhi),與使(shi)用計(ji)算(suan)機繪(hui)(hui)制(zhi)(zhi)相比(bi):一(yi)方面,速度慢,不(bu)宜修改(gai);另(ling)一(yi)方面,每一(yi)個(ge)設計(ji)人繪(hui)(hui)制(zhi)(zhi)的(de)(de)風格不(bu)統(tong)一(yi)。現在(zai)已經很少使(shi)用手工繪(hui)(hui)制(zhi)(zhi)管道軸(zhou)測圖。
四、軸(zhou)測圖設(she)計的一(yi)般要(yao)求
①. SH/T 3052《石油化工配管(guan)工程設計(ji)圖例》等規(gui)范有(you)圖例符號的相關(guan)規(gui)定。
②. 軸測圖無論管(guan)徑的(de)大小,均采(cai)用(yong)單線(xian)繪(hui)制管(guan)線(xian),線(xian)條的(de)寬度及字(zi)體規(gui)定可(ke)以(yi)根據所在項目的(de)工(gong)程(cheng)規(gui)定,也可(ke)以(yi)參見HG/T 20549《化(hua)工(gong)裝置管(guan)道布(bu)置設(she)計工(gong)程(cheng)規(gui)定》中的(de)規(gui)定。
③. 軸(zhou)測(ce)圖(tu)上(shang)(shang)的(de)北向(xiang)(xiang)(xiang)(xiang)N或(huo)者PN(Plant North)(圖(tu)10-54)通常指(zhi)向(xiang)(xiang)(xiang)(xiang)圖(tu)紙的(de)右上(shang)(shang)方(fang),項(xiang)目特殊要求時也可以指(zhi)向(xiang)(xiang)(xiang)(xiang)左上(shang)(shang)方(fang),同一裝(zhuang)置(zhi)的(de)軸(zhou)測(ce)圖(tu)上(shang)(shang)的(de)方(fang)向(xiang)(xiang)(xiang)(xiang)標取向(xiang)(xiang)(xiang)(xiang)應相同。軸(zhou)測(ce)圖(tu)上(shang)(shang)的(de)北向(xiang)(xiang)(xiang)(xiang)標與管道布置(zhi)圖(tu)上(shang)(shang)的(de)北向(xiang)(xiang)(xiang)(xiang)標的(de)北向(xiang)(xiang)(xiang)(xiang)應一致。

④. 除使用(yong)(yong)工程中規(gui)定的縮寫詞外,圖中是(shi)采用(yong)(yong)英文還是(shi)使用(yong)(yong)中文應(ying)按照(zhao)項目(mu)的具體規(gui)定。
⑤. 管(guan)道軸測圖(tu)不(bu)必按(an)比例繪制,但相對(dui)比例要協調。
⑥. 閥門的手(shou)柄方向應(ying)表示(shi)在軸測圖上(圖10-55)。
⑦. 軸測圖的尺寸標(biao)注
a. 水平管(guan)(guan)道(dao)的(de)標注。尺寸(cun)(cun)線(xian)應(ying)與管(guan)(guan)道(dao)相平行,尺寸(cun)(cun)界(jie)線(xian)為垂直線(xian)。尺寸(cun)(cun)的(de)大(da)小(xiao)要和管(guan)(guan)道(dao)布置平面圖(tu)上(shang)一致。從(cong)鄰(lin)近(jin)的(de)主要基準點到各個獨立的(de)管(guan)(guan)道(dao)元件如孔板法(fa)(fa)蘭、異徑管(guan)(guan)、拆卸(xie)用(yong)的(de)法(fa)(fa)蘭、儀表接口、不(bu)等(deng)徑支管(guan)(guan)的(de)尺寸(cun)(cun),不(bu)應(ying)畫封閉尺寸(cun)(cun),如圖(tu)10-56所示(shi)的(de)管(guan)(guan)道(dao)軸測圖(tu)中的(de)尺寸(cun)(cun)D、E、F。
b. 管線上(shang)法(fa)蘭、閥門和其他管道元件(jian)的標(biao)注。一般要標(biao)出相(xiang)對(dui)的位置,在立管上(shang)的閥門和其他元件(jian)需(xu)表示出標(biao)高(圖10-57)。
c. 管(guan)線的特(te)殊角(jiao)度(非(fei)正(zheng)南、正(zheng)北(bei)、正(zheng)東、正(zheng)西、正(zheng)上(shang)、正(zheng)下的情況(kuang))應該表示在(zai)軸測圖上(shang)(圖10-58)。
⑧. 在軸測圖上需要(yao)表示出連接管道的(de)信息(圖10-59),以便查找。
⑨. 使(shi)用AutoCAD繪制(zhi)軸(zhou)測圖(tu),匯總管(guan)道(dao)材料需(xu)要(yao)使(shi)用其他(ta)專(zhuan)門開發(fa)的(de)計算機(ji)軟件,或者是經過Excel和(he)Access另外統(tong)計、匯總管(guan)道(dao)材料,實現自(zi)動快速生成(cheng)管(guan)段(duan)表,與Auto-CAD繪制(zhi)的(de)軸(zhou)測圖(tu)形(xing)配合使(shi)用。
⑩. 使用 AutoPlant Isometrics、PDS、PDMS、SmartPlant 3D等(deng)軟件,在軸測圖上(shang)會自(zi)動生(sheng)成管段材料(liao)表。


五、管道(dao)布(bu)置平(ping)面圖(tu)和管道(dao)軸測圖(tu)常(chang)用(yong)圖(tu)例
管道布(bu)置平面圖(tu)和管道軸測圖(tu)常用圖(tu)例(li)見表(biao)10-6~表(biao)10-12。也可參考SH/T 3052或HG 20519所提供的圖(tu)例(li)。








